Deckenstütze schwer
Deckenstütze schwer
Deckenstütze schwer
Deckenstütze schwer
Deckenstütze schwer
Deckenstütze schwer

Deckenstütze 300

zu Multifix
Befestigungssystem

Mehr Informationen

  • Art.-Nr.: 323243
  • Mengeneinheit: 1 Stk
  • Verpackungseinheit: 1 Stk

help_outline Frage zu Produkt

favorite Zu Merkliste hinzufügen

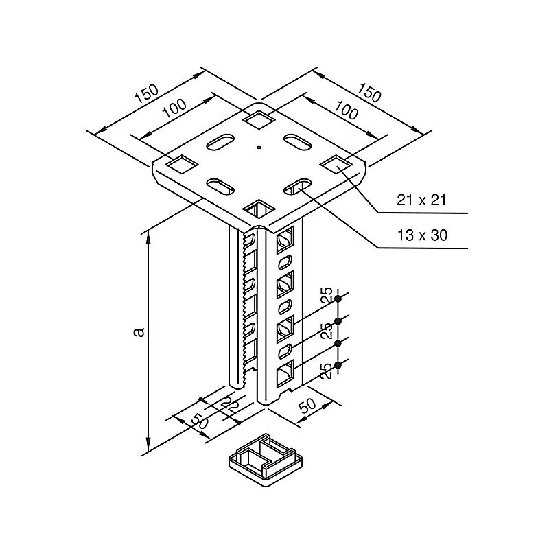
Multifix Deckenstütze schwer

Deckenstütze bestehend aus Multifix C-Profil 50x50 verzahnt. Mit Vierkant- und Langlöchern. Abgekantete Kopfplatte quadratisch 150x150 für mehr Stabilität. Für hohe Traglasten geeignet. Befestigungsmittel M10.

Geeignet für die Deckenmontage, Wandmontage und Montage am Boden.

Bemerkung:
Andere Längen auf Anfrage